
上海新山宝技术有限公司
2 年
高级会员
高级会员
已认证
拨打电话
获取底价
提交后,商家将派代表为您专人服务

上海新山宝技术有限公司
高级会员
已认证

产品描述:
板式喂料机是一种用散装物料输送设备,把间歇式给料转变为连续性给料。本公司在引进国外先进技术上全新开发 BW 型、BZ 型板喂机,适应恶劣的工作环境对于物料的种类、湿度、粘度等因素都有非常大的适用性。该系列喂料机通常用于大型料斗下面,将大体积物料短距离均匀,连续的输送给各种破碎设备,广泛应用与矿山、冶炼、建材、公路、铁路、水利和化学工业等各领域。
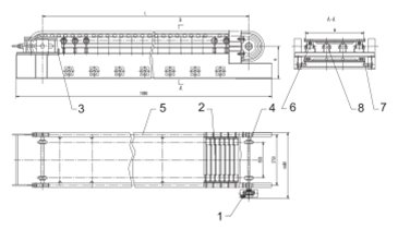
主要部件名称:
1.传动装置 2.运行装置 3.尾部装置 4.头部装置 5.机架 6.链支重轮 7.托链轮 8.中间支重轮
产品特点:
BW 型
◎尾部有枕木吸振,中部有吸振托辊支撑,提高运行部件的试用寿命
◎可更换齿轮,易维护
◎牵引力大、漏砂少、运行平稳
BZ 型
◎采用标准干式履带链条,无需润滑,安装维护方便
◎键联接部位均采用帐套和锁紧盘链接,不损伤轴经,方便拆装
◎槽板采用冲压压焊接结构,承载能力大
◎驱动装置采用悬挂单点浮动支撑方式,减少板喂机的径向安装尺寸

板式喂料机的工作原理介绍?
板式喂料机的使用方法?
板式喂料机多少钱一台?
板式喂料机使用的注意事项
板式喂料机的说明书有吗?
板式喂料机的操作规程有吗?
板式喂料机的报价含票含运费吗?
板式喂料机有现货吗?
板式喂料机包安装吗?相关产品
更多
企业名称
上海新山宝技术有限公司企业类型
有限责任公司(自然人投资或控股)信用代码
91310000MADKE9A70X法人代表
刘加杰注册地址
中国(上海)自由贸易试验区临港新片区新杨公路1588号4幢成立日期
2024-04-23注册资本
1000万元人民币有效期限
2024-04-23 至 2044-04-22经营范围
一般项目:技术服务、技术开发、技术咨询、技术交流、技术转让、技术推广;图文设计制作;计算机及办公设备维修;信息系统集成服务;软件开发;组织文化艺术交流活动;企业形象策划;会议及展览服务;摄影扩印服务;信息技术咨询服务;企业管理咨询;国内贸易代理;国内货物运输代理;机械设备销售;机械设备租赁;金属制品销售;建筑材料销售;通信设备销售;办公用品销售;五金产品零售;食用农产品零售;货物进出口;技术进出口。(除依法须经批准的项目外,凭营业执照依法自主开展经营活动)
虚拟号将在 秒后失效
使用微信扫码拨号
